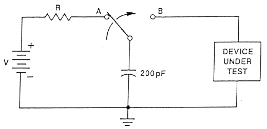
了靜電,當此機器去碰觸到IC時,該靜電便經由IC的pin放
電。此機器放電模式的工業測試標準為 EIAJ-IC-121 method
20,其等效電路圖如圖2.2-1所示。

| CLASS | STRESS LEVELS |
|---|---|
| M0 | 0 to <50V |
| M1 | 50 to <100V |
| M2 | 100 to <200V |
| M3 | 200 to <400V |
| M4 | 400 to <800V |
| M5 | >800V |
的等效電阻為0Ω,但其等效電容定為200pF。由於機器放
電模式的等效電阻為0,故其放電的過程更短,在幾毫微
秒到幾十毫微秒之內會有數安培的瞬間放電電流產生。有
關2-KV HBM與200-V MM的放電電流比較,顯示於圖2.2-2
中。
雖然HBM的電壓2 KV比MM的電壓200V來得大,但是
200-V MM的放電電流卻比2-KV HBM的放電電流來得大很
多,因此機器放電模式對IC的破壞力更大。在圖2.2-2中,
該200-V MM的放電電流波形有上下振動(Ring)的情形,是
因為測試機台導線的雜散等效電感與電容互相耦合而引起
的。

亦對此機器放電模式訂定測試規範 (EIA/JESD22-A115-A)
,詳細情形請參閱該工業標準。