的內部電路,但是在先進製程中,隨著LDD結構及金屬矽
化物(silicide)擴散層的普遍使用,該被導通用來旁通ESD電
流的NMOS元件本身更易遭受ESD的破壞。有關這ESD箝制
用NMOS元件本身在先前製程下更易被ESD損傷的示意圖顯
示於圖7.3.1-1中。

VDD電源線上的ESD電流先被導引且聚集在LDD peak上,
再經由產生的channel而流經NMOS到VSS電源線去。由於
這LDD與channel的深度都很淺,再加上silicide擴散層的極
低電阻,ESD瞬間數安培的電流很容易就把該NMOS的
LDD及channel燒毀破壞而造成VDD與VSS間永久短路的故
障。這使得圖7.2.3-2的改良設計在先進製程CMOS IC中的
應用產生了負面的影響。
承受能力,該ESD箝制用的NMOS必需做得具有更大的元
件尺寸,才不致於把該NMOS元件燒毀。在參考文獻〔13
〕中,該NMOS元件尺寸之通道寬度與長度比(W/L)為
8000/0.8。為了能快速推動如此巨大的NMOS元件,因此
在該參考文獻〔13〕的設計中加入三級的反相器(inverter)
做成Tapered buffer的設計來驅動該巨大的NMOS元件,其
中inverter的元件尺寸也不小。雖然,參考文獻〔9〕中的
設計可以有效地保護IC的內部電路避免ESD損傷,但其巨
大的元件尺寸與大尺寸的三級反相器推動電路,大大地增
加了佈局上的面積,這使其在次微米或深次微米積體電路
中的實用上增加困難度及晶片成本。
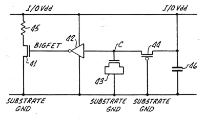
為了縮小ESD箝制用NMOS元件的尺寸,一改良方式
是在該NMOS的汲極(drain)加上一串聯電阻以限制ESD電流
的大小,這一改良方式如一美國專利〔14〕及研究論文〔
15〕所示並顯示於圖7.3.2-1中。

來實現該串聯電阻。雖然串聯電阻具有保護該NMOS元件
的功能,但也限制了ESD電流被該NMOS排放的速度,因
此跨在VDD與VSS電源線間的ESD電壓可能會流入IC內部
電路而再度導致異常的內部損傷問題。

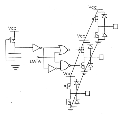
獻〔16〕結合了圖7.2.3-2的設計與輸出級的電晶體元件來
達成VDD與VSS電源線之間暫時短路的作用。由於輸出級
的NMOS與PMOS一般都具有較大的元件尺寸,在圖7.3.2-2
中,利用RC控制電路及一些輔助邏輯電路,來把輸出級的
NMOS與PMOS元件同時導通,以排放跨在VDD與VSS電源
線間的ESD電壓。這個設計想法是不錯,但是在實用上必
需要在每一輸出級加入相對應的邏輯控制電路,如果該輸
出級具有tristate或其它複雜的功能,則其邏輯控制電路會
更加複雜,因而限制了其實用度。
有關這一類的其它設計,以避免IC內部損傷的研究論
文或專利請參閱參考文獻〔17〕-〔21〕,但有些設計不
具實用性並且會造成其它不良作用。例如〔19〕-〔20〕
中使用SCR元件在VDD與VSS電源線之間,雖然其可提供
有效的VDD與VSS間的ESD箝制作用,但該SCR元件也可
能在IC正常工作下被雜訊或突波意外地導通,而造成
CMOSIC內嚴重的 Latchup問題。在〔11〕中,使用一串順
偏的二極體於VDD與VSS電源之間,會有嚴重的漏電問題
,尤其是當溫度上升時,寄生在二極體元件結構下的垂直
方向雙戴子電晶體會造成大的漏電問題。雖然這些研究或
專利不具實用性,但也突顯了這IC內部電路因ESD而損傷
之問題的嚴重性。